NEWS
新聞資訊2022-08-26 10:16:31來源:
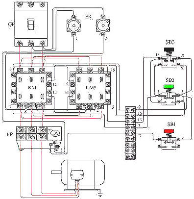
為了使電動機能夠正轉和反轉,可采用兩只接觸器KM1、KM2換接電動機三相電源的相序,但兩個接觸器不能吸合,如果同時吸合將造成電源的短路事故。
為了防止這種事故,在電路中應采取可靠的互鎖,下圖為采用按鈕和接觸器雙重互鎖的電動機正、反兩方向運行的控制電路。
三相異步電動機接線圖-正反轉接線實圖:

電機要實現正反轉控制,將其電源的相序中任意兩相對調即可(我們稱為換相),通常是V相不變,將U相與W相對調節器,為了保證兩個接觸器動作時能夠可靠調換電動機的相序,接線時應使接觸器的上口接線保持一致,在接觸器的下口調相。由于將兩相相序對調,故須確保二個KM線圈不能同時得電,否則會發生嚴重的相間短路故障,因此必須采取聯鎖。
為安全起見,常采用按鈕聯鎖(機械)與接觸器聯鎖(電氣)的雙重聯鎖正反轉控制線路(如下圖所示);使用了按鈕聯鎖,即使同時按下正反轉按鈕,調相用的兩接觸器也不可能同時得電,機械上避免了相間短路。另外,由于應用的接觸器聯鎖,所以只要其中一個接觸器得電,其長閉觸點就不會閉合,這樣在機械、電氣雙重聯鎖的應用下,電機的供電系統不可能相間短路,有效地保護了電機,同時也避免在調相時相間短路造成事故,燒壞接觸器。

圖中主回路采用兩個接觸器,即正轉接觸器KM1和反轉接觸器KM2。當接觸器KM1的三對主觸頭接通時,三相電源的相序按U―V―W接入電動機。當接觸器KM1的三對主觸頭斷開,接觸器KM2的三對主觸頭接通時,三相電源的相序按W―V―U接入電動機,電動機就向相反方向轉動。電路要求接觸器KM1和接觸器KM2不能同時接通電源,否則它們的主觸頭將同時閉合,造成U、W兩相電源短路。為此在KM1和KM2線圈各自支路中相互串聯對方的一對輔助常閉觸頭,以保證接觸器KM1和KM2不會同時接通電源,KM1和KM2的這兩對輔助常閉觸頭在線路中所起的作用稱為聯鎖或互鎖作用,這兩正向啟動過程對輔助常閉觸頭就叫聯鎖或互鎖觸頭。
一些較為常見的功能:
在選擇斷路器時,我們不僅要關注斷路器的延遲曲線等主要指標,還應重視它的很多次要功能,這些常容易被忽略的性能不僅能為一個良好的設計錦上添花,而且還能幫助工程師們為其應用設計精密的保護電路。
目前市面上有許多配備了各種可選功能的斷路器,這些功能對于電路保護設計很有幫助。
1、輔助接點(輔助開關):它們是與主接點電隔離的接點,適用于報警和程序開關。輔助接點可用于向操作人員或控制系統告警,發出警報,或在重要應用中接通備用電源。
2、傳動:傳動器類型的選擇不僅是出于美觀的考慮。具有開關速度是通/斷開關兩倍的傳動搖桿開關的斷路器能夠節約成本和電路板空間。推挽式傳動器在遇到突發事件時最為穩定。
3、分流端子:傳統斷路器被認為是“串聯跳閘”的,這是因為接點、電流感應元件和負載都是串聯的。分流端子從主電路分出支路,這樣可將次級負載接入。如果初級負載發生了短路或過載,斷路器將跳閘并切斷兩個負載的電源。
與輔助接點不同,分流端子是接到位于開關接點和電流感應元件之間的斷路器載流通路的,這意味著第二個負載不受過載或短路保護??梢圆捎靡粋€獨立的斷路器來保護次級電路,否則該電路只可用于具有內置保護電路的設備。
4、復式控制(遙控跳閘或繼電器跳閘):復式控制斷路器將兩個彼此電隔離的感應元件組合起來以實現多項功能。例如,復式控制斷路器可利用遙控傳動器或感應器來進行傳統的過流保護以及電路斷接。遙控跳閘是復式控制的一個例子,通常被稱為“繼電器跳閘”。
5、低壓跳閘:這是斷路器中一個獨立的電壓敏感元件,如果電壓降到預定值以下,它將使主接點開路。具有低電壓跳閘的開關斷路器被廣泛用于有線連接電器的通/斷控制。安全管理部門要求這些電器在發生掉電時必須切斷電源,以避免電源恢復時電器突然重新啟動的危險。
6、自動跳閘:一個自動跳閘的斷路器在故障期間不會一直保持閉合—因為開關裝置不會因強行保持傳動器接通而失效。在一個完全自動跳閘的設計中,當傳動器被保持在“接通”位置時,主接點在發生故障之后將始終保持開路。一些被稱為“循環自動跳閘”的斷路器在故障期間不能強行保持接通狀態,但如果傳動器一直處在“接通”的位置,則它們將周期性地接通和斷開。如果斷路器安裝在容易夠得著的地方(即未封閉),則應采用自動跳閘斷路器。
7、自動復位:對于斷路器不易夠著的應用來說,在冷卻期后自動復位的斷路器是一個良好的選擇。此時若指定使用可自動再起動的設備,則發生危險的可能性很大。